Navigation: MESYS Wellenberechnung > Eingabeparameter > 3D-elastische Bauteile > 3D-elastische Planetenträger
Parametrischer Planetenträger des Sterntyps
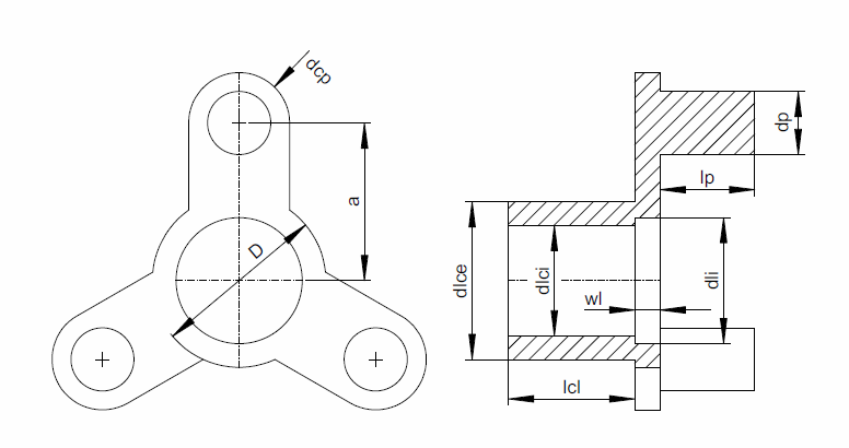
Die Geometrie des parametrischen Sternenträgers ist in der folgenden Abbildung dargestellt: